Loudspeaker

  • Description
  • Order

Product Description

未标题-1

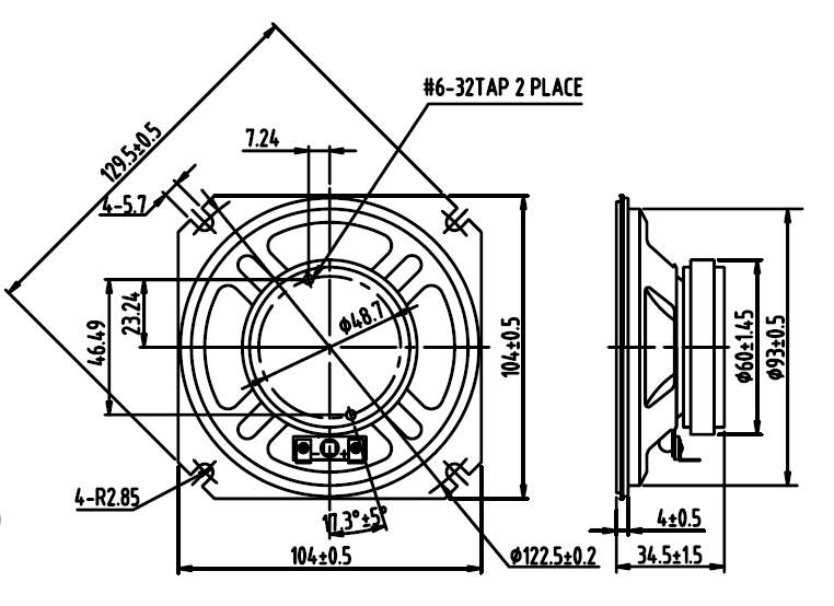
                            Model                YD100-06-8F60P

Diameter:

104×104mm

Cone Material:

Paper

Edge:

Paper

Nominal Power:

5w

Maximum Power:

8w

Impedance:

8±15%Ω

Voice coil:

Φ14.4mm

Fo:

350±20%Hz

Response:

Fo-8kHz

S.P.L:

94±3dB/1W/0.5M

Magnet Size:

Φ60×32×8(Ferrite)

Net weight:

242g

3


Write A Order

Copyright © 2022.CHANGZHOU ESUNTECH CO., LTD. All rights reserved.