SMD Piezo Buzzer

  • Description
  • Order

Product Description

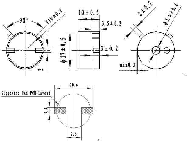
17mmx10mm 12V 1710 1701  SMD passive piezo transducer & buzzer round buzzer buzzer high quality  alarm buzzer,alarm for household electrical appliances - Changzhou Esuntech Co Ltd.        


2

Model No.EPB1710S-HL-12-4.0-R
Rated Voltage (VDC)12
Max Input Voltage (VDC)3~20
Rated Current (mA)≤12
Resonance Frequency (KHz)4.0±0.5
Capacitance at 120Hz (pF)12000±30%
Sound Output at 10cm (dB)≥85
Operating Temperature (℃)-20~+70
Storage Temperature (℃)-30~+85
Weight (g)2
Housing MaterialLCP
RoHSYes

3


Write A Order

Copyright © 2022.CHANGZHOU ESUNTECH CO., LTD. All rights reserved.